2 Way Diaphragm Valv
Válvulas de diafragma del grupo CSE - El cuerpo estándar de la válvula de diafragma de dos vías neumática/manual está hecho de acero inoxidable 316L forjado o fundido, esta cumple con los requisitos de superficie en contacto con producto del ASME BPE. Los equipos cuentan con una superficie uniforme para mantener la pureza del fluido. El diseño de ángulo α del cuerpo de la válvula permite que el liquido de limpieza se drene completamente sin causar estancamiento para mantener una cavidad estéril.
El diseño de esta válvula de diafragma puede ser ampliamente utilizado en sistemas con altos requisitos asépticos como alimentos, bebidas, productos lácteos, elaboración de cerveza, campos biofarmacéuticos y agua para inyección.


Válvula de 2 Vías Manual


Válvula de 2 Vías Neumática








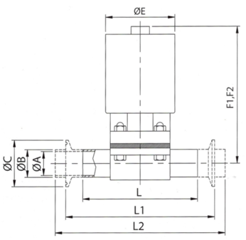
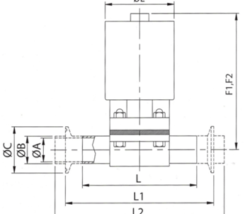
3 Way Diaphragm Valv
La válvula de diafragma de tres vías se fabrica desde bloque, material forjado o maquinado de precisión en acero inoxidable 316L, la conexión a proceso puede ser soldada AWF o clamp y con accionamiento manual o con actuador neumático. La superficie en contacto con producto se ofrece con pulido mecánico SF1 y electropulido SF4, acorde a ASME BPE.
Las válvulas de diafragma asépticas tipo T / U tipo cero dead ends (puntos muertos), lo que reduce el alcance del crecimiento bacteriano. Se puede utilizar ampliamente en las industrias alimentaria, de bebidas, láctea, cervecera, farmacéutica y otras. PW (agua pura) y WFI (agua de inyección), productos químicos de pureza ultra alta, etc.


Válvula de 3 Vías Manual y Neumática


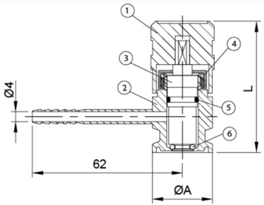
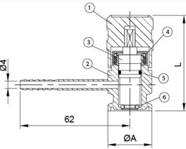
Válvulas de Muestreo


Válvula de muestreo angular


Válvula de muestreo recta








Las válvulas de muestreo aséptico pueden usarse ampliamente en diversas industrias, estos equipos pueden extraer fluidos para pruebas y muestreos parciales y generalmente se utilizan con fines de identificación, control de calidad y evaluación regulatoria.
Válvulas Sanitarias


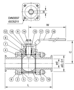
Válvula de Bola, extremos soldable y clamp, con accionamiento Neumática/Manual




Las válvulas de bola sanitarias de CSE, se pueden utilizar ampliamente en las industrias farmacéutica, biotecnológica, de semiconductores, láctea y alimentaria. Se surten con accionamiento manual o neumático y son fabricadas en acero inoxidable 316L.






Válvula de Mariposa Soldable










Válvula de Mariposa Clamp




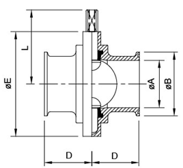
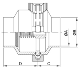
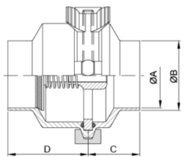
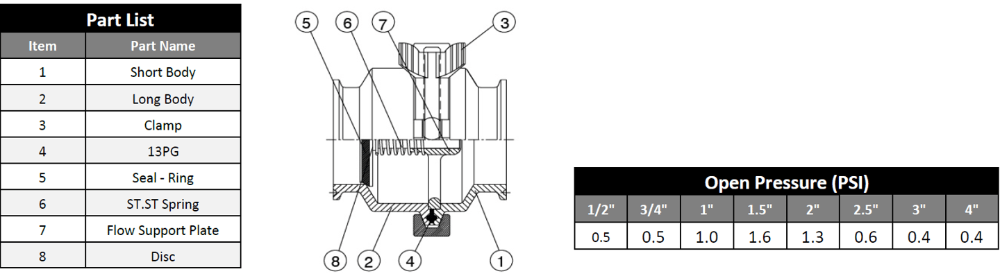
Válvula Check, extremos Soldable










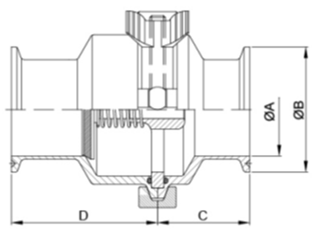
Válvula Check extremos Clamp




Contacto
Dirección
Cuautitlán Izcalli,
Estado de México, 54753
Contacto
55 6484 1696
ventas1@jbsanitarysystems.com


